آپلود ویدئو | ورود | ثبت نام


vahidnejati1-

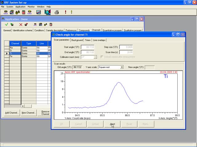
PANalytical SuperQ New Application set up


Embed گزارش تخلف

مشاهده 1670

دریافت ویدئو: حجم کم کیفیت بالا
توسط vahidnejati1 در 22 May 2016
توضیحات:

New application in "SuperQ" for Axioz mAX X-Ray Fluorescence Spectrometer.

لغات کلیدی:

PANalytical (Organization)


comments powered by Disqus

درباره ما | تماس با ما | قوانین تخته سفید